PRODUCT DATA / DESCRIPTION
P/N 62549
Max pulling force 8165 kg
Supply voltage: 24 V DC, 6 PS (4,44 kW)
Gearing: 2-stage planetary
Gear ratio: 346:1
Clutch lever: manual
Brake: automatic 100% Load Holding
Rope: wire 13 mm × 27,43 m, with hook
Remote: sealed Hand-Held
Installed weight: 78 kg
Shipping weight: 83,9 kg
Certificate: CE
Superwinch article no.: 1618300
ROPE SPEED | POWER CONSUMPTION IN A
Line Pull 0 kg 7,62 m/min, 75 ampere
Line Pull 8165 kg 0,76 m/min, 415 ampere
INCLUDES
Winch
Steel rope with hook
Remote control pendant
Roller fairlead (4 rollers)
RECOMMENDED ACCESSORIES
Wireless remote control, P/N 63459 or 72199
Mounting plate, P/N 62611
Neoprene winch cover, P/N 62747
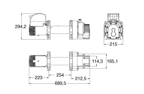
DIMENSIONS


