P/N 62488
Max pulling force 6123 kg
Supply voltage: 12 V DC, 5,3 PS (3,95 kW)
Gearing: 4-stage planetary
Gear ratio: 518:1
Clutch lever: manual
Brake: automatic 100% Load Holding
Rope: wire 10,3 mm × 29 m, with hook
Remote: sealed Hand-Held
Installed weight: 60,7 kg
Shipping weight: 62,5 kg
Certificate: CE
Superwinch article no.: 1513200
ROPE SPEED | POWER CONSUMPTION IN A
Line Pull 0 kg 3,4 m/min, 120 ampere
Line Pull 6123 kg 1,2 m/min, 440 ampere
INCLUDES
Winch
Steel rope with hook
Remote control pendant
Roller fairlead (4 rolles)
RECOMMENDED ACCESSORIES
Wireless remote control, P/N 63459 or 72199
Neoprene winch cover, P/N 62757
Mounting plate, P/N 62611
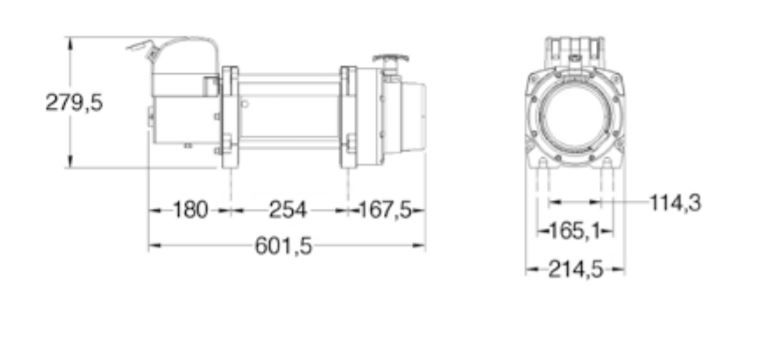
DIMENSIONS
